Описание
Предназначен для измерения температуры поверхности скорлупы инкубируемых яиц, а также для управления исполнительными механизмами поддержания температуры в заданных пределах.
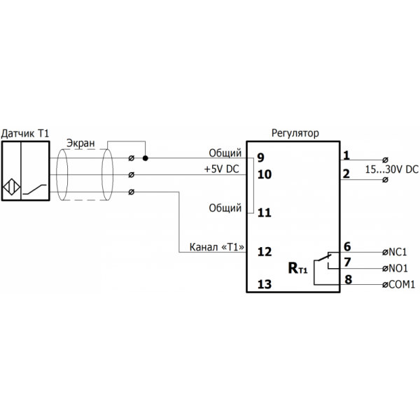
ПРИНЦИП ДЕЙСТВИЯ
Датчики измеряют температуру скорлупы яиц с точностью не менее 0,1 гр.С и передают информацию на вторичный прибор. Вторичный прибор отображает текущие значения температуры. Также на вторичном приборе есть возможность устанавливать верхний и нижний пороги регулировки температуры с помощью кнопок.
Встроенное реле включает/отключает нагреватель.
ВЫПОЛНЯЕМЫЕ ФУНКЦИИ
• Измерение температуры яиц (и/или воздуха в инкубаторе).
• Прямой (охлаждение) и обратный (нагрев) режим работы.
• Отображение текущей температуры с датчиков на дисплее.
• Установка пороговых значений регулировки температуры.
• Включение и отключение исполнительных устройств по заданному условию.
• Сохранение при пропадании питания всех уставок и режимов работы в энергонезависимой памяти и их восстановление при восстановлении питания.
СРОК СЛУЖБЫ И ГАРАНТИЯ
Гарантийный срок эксплуатации при соблюдении общепринятых правил пользования электротехнических приборов 24 месяца со дня ввода в эксплуатацию, но не более 36 месяцев со дня отгрузки.
| Характеристики | |
| Напряжение питания | 24 В [DC] |
| Вид яиц | гусиные |
| Количество датчиков | 1 шт. |
| Количество релейных выходов (переключающий) | 1 шт. |
| Потребляемая мощность, не более | 8 ВА |
| Длина кабеля | 0,9 м |
| Напряжение на нагрузке (реле), не более | 240 В [АC]; 60 В [DC] |
| Ток нагрузки (реле), не более | 1 А (cos ? =0,7) |
| Диапазон измеряемых температур, не менее | +20…+50 °C |
| Точность измерения | 0,1 °C |
| Количество релейных выходов (переключающий) | 2 шт. |
| Тип кабеля | 2х0,12мм экранированный |
| Уставка порогов регулировки температуры | программируемая |
| Дискретность задания уставки температуры | 0,1 °C |
| Степень защиты по ГОСТ 14254-96 | IP20 |
| +375 (29) 697-11-02 | ![]() |
| +375 (29) 697-00-02 |









