Описание
Датчик углекислого газа СО2 с аналоговым выходом. Канальное исполнение
Датчик углекислого газа (CO2) BESKONTA предназначен для измерения концентрации углекислого газа в воздухе. Датчик рекомендован для использования в микроклиматических системах на предприятиях сельского хозяйства: теплицы, грибные фермы, птицефабрики и т.д. А так же в системах вентиляции жилых и промышленных зданий.
Функциональное описание
• Датчик преобразует изменение уровня концентрации углекислого газа CO2 измеряемой среды в унифицированный аналоговый сигнал с пропорциональной зависимостью. Принцип измерения концентрации СО2 в воздухе основан на оптической технологии NDIR (англ. nondispersive infrared sensor).
• Система индикация датчика сообщает о самодиагностике и режимах работы.
• Высокая стабильность показаний и надёжность достигается благодаря очень качественному сенсору NDIR, изготовленному в Евросоюзе (Швейцария), прецизионному качеству электронных компонентов и технологичности схемы преобразования.
• Чувствительный элемент защищён от попадания пыли и воздействия агрессивных газов (аммиак и т.д.).
• Качество BESKONTA подтверждено множеством отзывов от клиентов, которые мы готовы предоставить по необходимости.
Эксплуатация
Датчик устанавливается вертикально в точке, где необходимо измерять концентрацию СО2 в воздухе помещения. Датчик должен показывать реальный уровень СО2 именно в зоне дыхания. Это побудит изготавливать приточную вентиляцию более эффективной: направлять свежий воздух именно туда, где находятся люди.
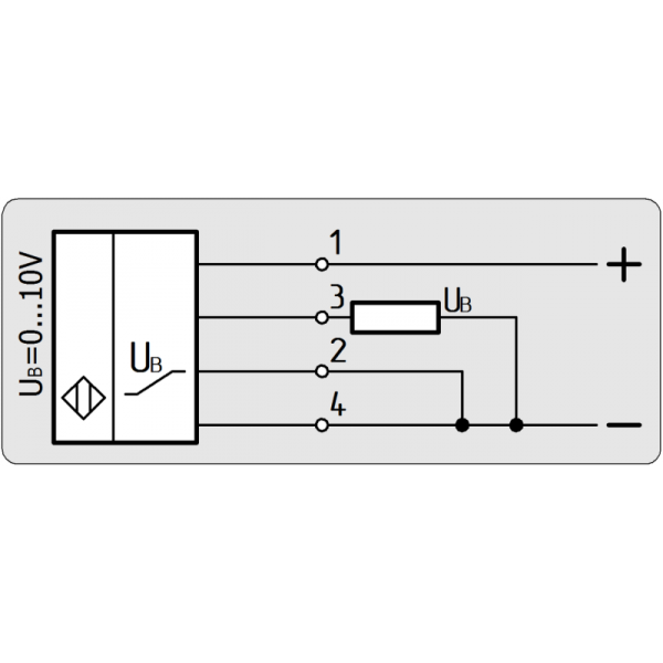
Электрическое подключение - строго в соответствии со схемой подключения, приведённой в паспорте на изделие при отключенном напряжении питания.
| Характеристики | |
| Выходной сигнал CO2 | 0-10 В |
| Диапазон измерения CO2 | до 20000 ppm |
| Электрическое подключение | разъём М12х1 |
| Точность измерения от текущего значения CO2 | ±(200ppm+3%) |
| Сопротивление нагрузки | 10 кОм |
| Калибровка | С автоматической калибровкой |
| Температура эксплуатации датчика | 0...+50 °C |
| Тип корпуса датчика | канальный |
| Номинальное напряжение питания | 24 В [DC] |
| Диапазон питания | 18...30 В [DC] |
| Тип сенсора CO2 | NDIR |
| Допустимая влажность (без конденсата) | 0...95 %RH |
| Время готовности после подачи питания | 3 мин |
| Время установки показаний | 90 сек |
| Ток потребления | 0...150 мА |
| Защита от неправильного подключения | есть |
| Материал корпуса Ч.Э. | текаформ |
| Герметичность по ГОСТ 14254-96 | IP54 |
| +375 (29) 697-11-02 | ![]() |
| +375 (29) 697-00-02 |










