mail.sensorica.by@gmail.com +375 29-697-00-02 контактный телефон a1

SCO2-W02-K датчик углекислого газа (CO2) комнатный variant SCO2-W02-U05-20K-K-PL

Артикул(Код товара): SCO2-W02-U05-20K-K-PL

Консультация и подбор оборудования:

ПозвонитьОнлайн-заявка

Описание

Датчик углекислого газа СО2 с аналоговым выходом

Датчик углекислого газа (CO2) BESKONTA предназначен для измерения концентрации углекислого газа в воздухе. Датчик рекомендован для использования в микроклиматических системах на предприятиях сельского хозяйства: теплицы, грибные фермы, птицефабрики и т.д. А так же в системах вентиляции жилых и промышленных зданий.

Функциональное описание

•   Датчик преобразует изменение уровня концентрации углекислого газа CO2 измеряемой среды в унифицированный аналоговый сигнал с пропорциональной зависимостью. Принцип измерения концентрации СО2 в воздухе основан на оптической технологии NDIR (англ. nondispersive infrared sensor).

•   Система индикация датчика сообщает о самодиагностике и режимах работы.

•   Высокая стабильность показаний и надёжность достигается благодаря очень качественному сенсору NDIR, изготовленному в Евросоюзе (Швейцария), прецизионному качеству электронных компонентов и технологичности схемы преобразования.

•   Чувствительный элемент защищён от попадания пыли и воздействия агрессивных газов (аммиак и т.д.).


•   Качество BESKONTA подтверждено множеством отзывов от клиентов, которые мы готовы предоставить по необходимости.

Эксплуатация

Датчик устанавливается вертикально в точке, где необходимо измерять концентрацию СО2 в воздухе помещения. Датчик должен показывать реальный уровень СО2 именно в зоне дыхания. Это побудит изготавливать приточную вентиляцию более эффективной: направлять свежий воздух именно туда, где находятся люди.


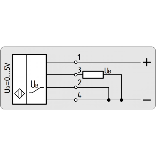
Электрическое подключение - строго в соответствии со схемой подключения, приведённой в паспорте на изделие при отключенном напряжении питания.

Характеристики
Выходной сигнал CO20-5 В
Диапазон измерения CO2до 20000 ppm
Точность измерения от текущего значения CO2±(200ppm+3%)
Сопротивление нагрузки5 кОм
Тип корпуса датчикакомнатный
Номинальное напряжение питания24 В [DC]
Диапазон питания18...30 В [DC]
Тип сенсора CO2NDIR
Температура эксплуатации датчика0...+50 °C
Допустимая влажность (без конденсата)0...95 %RH
Время готовности после подачи питания3 мин
Время установки показаний90 сек
Ток потребления0...150 мА
Защита от неправильного подключенияесть
Материал корпуса Ч.Э.текаформ
Герметичность по ГОСТ 14254-96IP54
Электрическое подключениеклеммы винтовые
КалибровкаБез калибровки
<

По интересующей продукции, пожалуйста свяжитесь по телефонам:

+375 (29) 697-11-02
+375 (29) 697-00-02

Или отправить запрос на нашу электронную почту: info@sensorica.by

2022 © sensor24.by - создан в веб-студии VL Минск