mail.sensorica.by@gmail.com +375 29-697-00-02 контактный телефон a1

SHTA02-79N114 датчик влажности и температуры с выносным элементом variant SHTA02-79N114-U03-K-TF

Артикул(Код товара): SHTA02-79N114-U03-K-TF

Консультация и подбор оборудования:

ПозвонитьОнлайн-заявка

Описание

Датчик рекомендован для использования в микроклиматических системах с тяжёлыми условиями эксплуатации в том числе на предприятиях сельского хозяйства (теплицы, грибные фермы, птицефабрики, свинофермы и т.д.), в печах обжига кирпичей или сушки древесины, а так же в системах вентиляции жилых и промышленных зданий.

Функциональное описание

• Датчик преобразует изменения температуры и влажности воздуха в унифицированные аналоговые сигналы с пропорциональной зависимостью. Принцип измерения относительной влажности основан на зависимости диэлектрической проницаемости полимерного сорбента, используемого в качестве влагочувствительного слоя, от количества сорбированной влаги (ёмкостный принцип измерения), измерение температуры основано на изменении электрического сопротивления чувствительного элемента.

• Система индикация датчика сообщает о самодиагностике и режимах работы.

• Высокая стабильность показаний и надёжность достигается благодаря очень качественному сенсору, прецизионному качеству электронных компонентов и технологичности схемы преобразования.

• Чувствительный элемент защищён от попадания пыли и воздействия агрессивных газов (аммиак и т.д.).


• Качество BESKONTA подтверждено сертификатами: качества ISO9001:2015 и соответствия ГОСТ Р.

Эксплуатация

Датчик устанавливается в любом положении в месте, где необходимо измерять температуру и влажность воздуха. Датчик должен показывать реальный уровень температуры и влажности именно в контролируемой зоне.


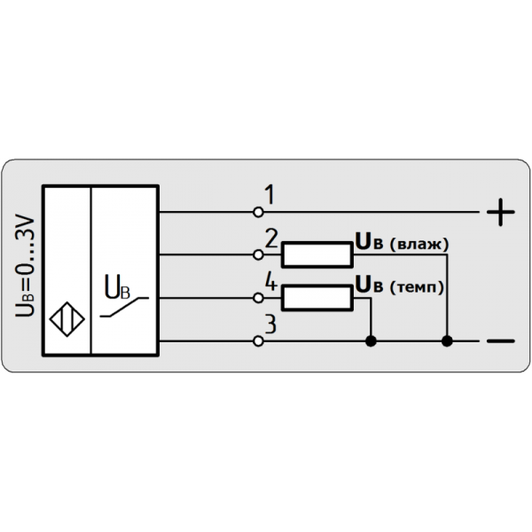
Электрическое подключение - строго в соответствии со схемой подключения, приведённой в паспорте на изделие при отключенном напряжении питания.

Характеристики
Выходной сигнал0...3 В
Электрическое подключениеклеммы винтовые
Номинальное напряжение питания12 В [DC]
Ток потребленияне более 20 мА
Сопротивление нагрузки3 кОм
Конструктивное исполнениенастенное с выносным элементом
Точность преобразования температуры±0.5 °C
Шкала измерения влажности0...100 %RH
Шкала измерения температуры-40...+60 °C
Точность в диапазоне 15...85%не менее ±2%RH
Точность в диапазоне 0...15% и 85...100%не менее ±3%RH
Герметичность по ГОСТ 14254-96IP43
Материал корпуса Ч.Э.текаформ
Защита от неправильного подключенияесть
Диапазон рабочих температур-40...+85 °C
Время готовности после подачи питания10 с
<

По интересующей продукции, пожалуйста свяжитесь по телефонам:

+375 (29) 697-11-02
+375 (29) 697-00-02

Или отправить запрос на нашу электронную почту: info@sensorica.by

2022 © sensor24.by - создан в веб-студии VL Минск