Артикул(Код товара): SHTA02-79V114-U010-K-TF
Описание
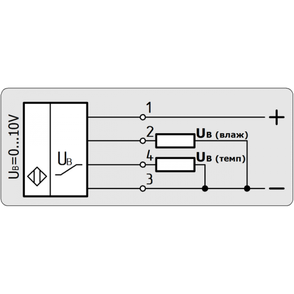
Датчик температуры и влажности с выходом 0-10 В канальный
Датчик рекомендован для использования в микроклиматических системах с тяжёлыми условиями эксплуатации в том числе на предприятиях сельского хозяйства (теплицы, грибные фермы, птицефабрики, свинофермы и т.д.), в печах обжига кирпичей или сушки древесины, а так же в системах вентиляции жилых и промышленных зданий.
| Характеристики | |
| Конструктивное исполнение | канальное |
| Длина погружаемой части | 114 мм |
| Номинальное напряжение питания | 24 В [DC] |
| Сопротивление нагрузки | 10 кОм |
| Электрическое подключение | клеммы винтовые |
| Точность преобразования температуры | ±0.5 °C |
| Шкала измерения влажности | 0...100 %RH |
| Шкала измерения температуры | -40...+60 °C |
| Точность в диапазоне 15...85% | не менее ±2%RH |
| Точность в диапазоне 0...15% и 85...100% | не менее ±3%RH |
| Герметичность по ГОСТ 14254-96 | IP43 |
| Защита от неправильного подключения | есть |
| Диапазон рабочих температур | -40...+85 °C |
| Время готовности после подачи питания | 10 с |
| Выходной сигнал влажности и температуры | 0...10 В |
| +375 (29) 697-11-02 | ![]() |
| +375 (29) 697-00-02 |
Или отправить запрос на нашу электронную почту: info@sensorica.by
2022 © sensor24.by - создан в веб-студии VL Минск











